آیا به دنبال خدمات نقشه کشی صنعتی دقیق، حرفهای و منطبق با استانداردهای روز دنیا هستید؟ 📐 تیم متخصص ما با بهرهگیری از دانش فنی عمیق و تجربه چندین ساله، آماده ارائه طیف وسیعی از خدمات نقشه کشی صنعتی به شماست. ما با استفاده از پیشرفتهترین نرمافزارهای مهندسی نظیر CATIA، پروژههای شما را از مرحله ایده تا اجرا همراهی میکنیم و تضمین میکنیم که هر نقشه با بالاترین کیفیت و دقت مهندسی تهیه شود.
**خدمات جامع ما شامل موارد زیر است:**
* **ترسیم نقشههای ساخت (Fabrication Drawings):** طراحی دقیق و کامل نقشههای ساخت قطعات مکانیکی، ابزارآلات، دستگاهها و ماشینآلات صنعتی. این نقشهها شامل تمامی جزئیات ابعادی، تلرانسها، مشخصات متریالی و دستورالعملهای لازم برای فرآیندهای تولید و ساخت است. 🛠️
* **نقشههای اسمبلی (Assembly Drawings):** تهیه نقشههای مونتاژی که نحوه قرارگیری و اتصال اجزا و قطعات مختلف یک محصول یا سیستم را به وضوح نشان میدهد. این نقشهها برای فرآیندهای مونتاژ، نگهداری، عیبیابی و آموزش بسیار حیاتی هستند و به افزایش کارایی کمک میکنند.
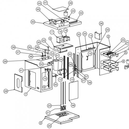
* **نقشههای انفجاری (Exploded View Drawings):** تولید نقشههای انفجاری از قطعات و مجموعهها که به کاربران کمک میکند تا ساختار داخلی و نحوه دمونتاژ و مونتاژ مجدد را به راحتی درک کنند. این نقشهها برای کاتالوگهای قطعات یدکی، راهنماهای سرویس و نگهداری و مستندسازی فنی ایدهآل هستند.
* **طراحی دوبعدی و سهبعدی (2D & 3D Design):** تمامی نقشهها با بالاترین کیفیت و دقت، هم به صورت دوبعدی (نقشههای اجرایی و کارگاهی) و هم به صورت مدلهای سهبعدی پارامتریک با نرمافزار قدرتمند CATIA ترسیم میشوند. مدلهای سهبعدی امکان شبیهسازی، تحلیل و ارزیابی دقیق طراحی را پیش از ساخت فراهم میآورند و به کاهش خطاها کمک شایانی میکنند.
* **ترسیم و ویرایش نقشههای P&ID و PFD:** ارائه خدمات تخصصی در ترسیم و ویرایش نقشههای P&ID (Piping and Instrumentation Diagram) و PFD (Process Flow Diagram) برای صنایع فرآیندی، نفت، گاز و پتروشیمی. این نقشهها برای نمایش شماتیک فرآیندها، تجهیزات، ابزار دقیق و کنترل سیستمها ضروری بوده و به وضوح عملیات را نشان میدهند. 💧
* **ترسیم نقشههای Piping Isometric:** تهیه نقشههای ایزومتریک پایپینگ با جزئیات کامل، شامل ابعاد، متریال، اتصالات، تلرانسها و BOM (Bill of Materials) که برای ساخت، پیشساخت و نصب سیستمهای لولهکشی در پروژههای صنعتی کاربرد فراوان دارند و دقت اجرا را تضمین میکنند.
با ما تماس بگیرید تا پروژههای شما با بالاترین کیفیت مهندسی، دقت بینظیر و در کمترین زمان ممکن به سرانجام برسد. ما متعهد به ارائه خدماتی هستیم که فراتر از انتظارات شما باشد و به موفقیت پروژههایتان کمک کند. برای مشاوره رایگان و کسب اطلاعات بیشتر، با شمارههای زیر تماس حاصل فرمایید:
📞 09196... [نمایش کامل]
📞 09398... [نمایش کامل]
همین امروز با ما تماس بگیرید و از تخصص و تجربه ما در زمینه نقشه کشی صنعتی بهرهمند شوید! ✨




آگهی های خدمات صنعتی خدمات و لوازم صنعتی و صنفی در استان تهرانآگهی های خدمات و لوازم صنعتی و صنفی خدمات صنعتی در استان تهرانکرج نقشه
کرج روی نقشه
کرج روی نقشه ایران
Pdf کتاب نقشه کشی صنعتی
کرج در نقشه ایران